|
Суперсимметрия без средней точки и земли.
|
|
| Sbaranov | Дата: Среда, 26.02.2025, 10:31 | Сообщение # 511 |
|
Группа: Проверенные
Сообщений: 504
Статус: Offline
Страна: Украина
Город: Каховка
|
Большую роль в стабильности режимов отыгрывает питание удвоителем напряжения, у него есть свойство работать стабилизатором мощности в условиях когда перегрузки длиннее по времени чем пиковые нагрузки в музыке, по этому у меня есть скрытая пассивная защита которая до перегрузок содержит повышенный запас энергии для пиков, но быстро снижает подводимую мощность если эта нагрузка становится стабильной, это примерно двух кратная энергия! По этому звучание усилителя субъективно выглядит мощнее по сравнению с таким же усилителем по долгоиграющей мощности из-за того, что обычный уходит в ограничение которое сильно хорошо слышно, а этот ещё и ударные звуки с частотами 10-50 герц заметно скругляет практически до формы синуса. Такого типа ограничения возможны когда источник сигнала даёт уровень сигнала по напряжению выше постоянной мощности, что вообще можно исключить если не гнаться за перегрузками и не иметь большого резерва усиления напряжения после ЦАПа.
У меня всё не так.
|
|
|
|
|
| Kamil | Дата: Четверг, 27.02.2025, 07:13 | Сообщение # 512 |
|
Группа: Проверенные
Сообщений: 389
Статус: Offline
Страна: Российская Федерация
Город: Йошкар-Ола
|
Спасибо разложил по полочкам, думаю многим интересно разъяснения. Как организована входная часть ус-ля? Рассматриваешь возможность использования нанотора? Считаю что нанотор одна из ярчайших идей Валентина, одним выстрелов двух зайцев... не, табуна... Исключение межкаскадной ёмкости, использование как НЧ-фильтр для DAC с дальнейшим согласованием с вых. каскадами, гальваническая развязка и т.д. вообщем табун... Для себя вижу создание (пока в голове) цифро-аналогово усилителя: Цифровой поток - конвертер - DAC - нанотор - циклотрон. Усилитель с самым коротким трактом, подключение аналоговых носителей исключаю, но выход АНАЛОГОВЫЙ. Концепция Валентина с наноторами позволяет создать этот проект с максимальным качеством.
Камиль.
|
|
|
|
|
| VK | Дата: Четверг, 27.02.2025, 10:01 | Сообщение # 513 |
Группа: Модераторы
Сообщений: 10330
Статус: Offline
Страна: Германия
|
Цитата Kamil (  ) Концепция Валентина с наноторами ..... Себя хвалить не буду, но качество действительно есть. На данный момент у троих участников есть такой проект - цифровой источник (не важно какой), DAC без ЦАПа, усилитель ЦК с коротким трактом. Два из них построил я, один Алекс и не успокоился начал монтаж второго такого усилителя. Этот усилитель поставил "на уши" всех знаминитых посетителей у Алекса и замены ему не предвидется. В практическом смысле этот мой ЦК давольно надёжная штука оказался. Это почувствовал и Алекс, хочет второй такой же, но более компактный для удобства в работе. Да, забыл добавить моего сына, у него то жетакая аппаратура.
|
|
|
|
|
| Sbaranov | Дата: Четверг, 27.02.2025, 11:34 | Сообщение # 514 |
|
Группа: Проверенные
Сообщений: 504
Статус: Offline
Страна: Украина
Город: Каховка
|
Я уверен, что с трансформатором вместо или в паре с усилителем напряжения всё получится хорошо. Входное сопротивление повторителя достаточно высокое, порядка 10 кОм. Кроме того есть простая симметричная схема повторителя - драйвера с очень маленькими искажениями, напряжение не усиливает, зато очень качественно усиливает ток с такими напряжениями как у ЦАПа.Добавлено (06.03.2025, 21:11) --------------------------------------------- Шаг Номинал Сумма 1 0 0 2 0,3 0,3 3 0,18 0,48 4 0,45 0,93 5 0,5 1,43 6 0,7 2,13 7 0,78 2,91 8 0,9 3,81 9 1,05 4,86 10 2 6,86 11 2,2 9,06 12 2,5 11,56 13 4,9 16,46 14 8,2 24,66 15 11,7 36,36 16 19,7 56,06 17 32,5 88,56 18 46,6 135,16 19 75,2 210,36 20 129,3 339,66 21 215 554,66 22 385 939,66 23 987 1926,66 24 ∞ ∞
Это номиналы резисторов в омах, которые я впаял в перемыкающий шаговый регулятор громкости для балансного тракта. Он замыкает выход положительной и отрицательной полуволны из ЦАПа АК4490 после индуктивного фильтра и промежуточного резистора 1,5 кОм который не даёт возможности перегрузить ЦАП нагрузочным током. Такой регулятор не использует общий провод с другим постоянным напряжением, не таким как на выходе, нужно только два резистора (шаговых), на первом шаге полное короткое замыкание, на втором еле заметная громкость, далее мягкая прибавка громкости, на последнем шаге последовательные перемыкающие резисторы отключаются полностью, и регулятор как бы исчезает. Это нужно для источников у которых имеется прямой цифровой выход без регулировки громкости и для уменьшения потерь качества звука если идёт цифровая регулировка громкости и её не хочется использовать из-за потери бит цифрового разрешения или просто для удобства и полноценности аппарата. Расхождения сопротивлений между каналами удалось сделать минимальным не только точным подбором пар резисторов, но и тем, что имея всё же небольшое расхождение на одном уровне громкости его можно скомпенсировать противоположным на другом уровне, и тогда ошибка к концу шкалы не набегает больше одного знака на приборе.
У меня всё не так.
|
|
|
|
|
| Sbaranov | Дата: Четверг, 06.03.2025, 21:17 | Сообщение # 515 |
|
Группа: Проверенные
Сообщений: 504
Статус: Offline
Страна: Украина
Город: Каховка
|
Как то таблица зашла коряво.
У меня всё не так.
|
|
|
|
|
| VK | Дата: Пятница, 07.03.2025, 05:27 | Сообщение # 516 |
Группа: Модераторы
Сообщений: 10330
Статус: Offline
Страна: Германия
|
Цитата Sbaranov (  ) Кроме того есть простая симметричная схема повторителя - драйвера с очень маленькими искажениями, напряжение не усиливает, зато очень качественно усиливает ток с такими напряжениями как у ЦАПа. Покажи пожалуйста эту схему, кое кто возится с драйвером на токе и не может найти оптимального варианта.
|
|
|
|
|
| Sbaranov | Дата: Пятница, 07.03.2025, 07:08 | Сообщение # 517 |
|
Группа: Проверенные
Сообщений: 504
Статус: Offline
Страна: Украина
Город: Каховка
|
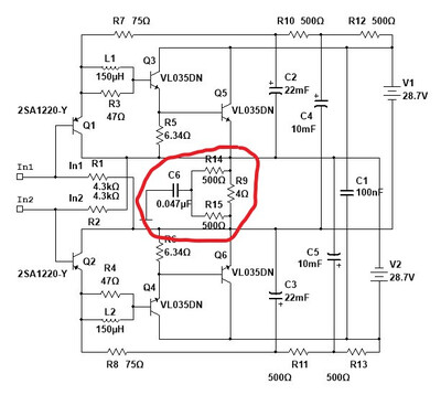
Валентин, я уже показывал это. В основе моего усилителя напряжения лежит каскодная схема на полевых транзисторах, подключение нижнего транзистора в качестве усилителя тока нагруженного просто на резисторы даёт исключительно низкие искажения, а вот верхняя часть, отвечающая за усиление напряжения их уже прибавляет. Я к примеру для верхней части так же придумал вариант заметного снижения искажений. В симуляции он работает заметно, в оригинале не пробовал. Пока нет нужды как мне кажется.
 Это модель во время моделирования именно усилителя тока, нижняя часть каскода на IRF9630
У меня всё не так.
|
|
|
|
|
| Sbaranov | Дата: Пятница, 07.03.2025, 07:12 | Сообщение # 518 |
|
Группа: Проверенные
Сообщений: 504
Статус: Offline
Страна: Украина
Город: Каховка
|
Тут замер искажений по гармоникам. Добавлено (07.03.2025, 07:23) --------------------------------------------- Искажения при амплитуде 1,4 вольта по третьей гармонике на нагрузку 4,3к равно 0,000002%. Все остальные гораздо ниже. Это искажения при 100% местной ООС с очень большой скоростью. Связаны в основном с плавным завалом вольтамперной характеристики, емкость полевика пока не вносит в искажения своего вклада. Напряжение постоянное на нагрузке 5,57 вольта, ток постоянный 116 мА.
У меня всё не так.
|
|
|
|
|
| Sbaranov | Дата: Пятница, 07.03.2025, 07:32 | Сообщение # 519 |
|
Группа: Проверенные
Сообщений: 504
Статус: Offline
Страна: Украина
Город: Каховка
|
Для этой же схемы полные искажения и с шумом. Доля шума маленькая, но чуть выше искажений. Это примерно 0,000035% Получается уже для моей схемы это теоретическая планка лучше которой быть не может если не предпринимать ещё какие то специальные меры поскольку через этот повторитель идёт трансляция сигнала.
 Добавлено (07.03.2025, 07:47) --------------------------------------------- Оптимальные нагрузочные резисторы для такого случая 500-800 Ом. Добавлено (07.03.2025, 07:54) --------------------------------------------- Сильно на искажения влияет нагрузка если её понижать к примеру до 470 Ом, то мы получаем третью гармонику с уровнем порядка 0,00005 % что так же не очень много, и тогда начинает появляться 5-я гармоника. Добавлено (07.03.2025, 08:36) --------------------------------------------- Ну и если нагрузочный резистор сделать очень высокоомным - сотни кОм, то расчётные искажения становятся порядка 1 миллионной доле процента, хочется напомнить что это 0,000000001 часть от полезного сигнала, лучше наверное невозможно вообще получить поскольку это всё утопает в шумах уровень которых неизменный. И после усиления напряжения, и даже если это будут трансформаторы, шумы так же усилятся,но не перейдут в категорию слышимых. В любом случае имеется запас порядка 130 - дБ если получится убрать фон хотя бы до -100 дБ, что в целом легко достижимо.
У меня всё не так.
Сообщение отредактировал Sbaranov - Пятница, 07.03.2025, 07:33 |
|
|
|
|
| sass | Дата: Пятница, 07.03.2025, 11:26 | Сообщение # 520 |
Группа: Проверенные
Сообщений: 434
Статус: Offline
Страна: Эстония
|
Интересно ! Какие мосфеты можно применить под это дело ?  Добавлено (07.03.2025, 16:53) --------------------------------------------- Как поведет себя эта схема с нагрузкой в виде торойда Валентина- активное сопротивление первички 22 Ома ?
alex
|
|
|
|
|
| VK | Дата: Пятница, 07.03.2025, 17:25 | Сообщение # 521 |
Группа: Модераторы
Сообщений: 10330
Статус: Offline
Страна: Германия
|
Цитата sass (  ) Как поведет себя эта схема с нагрузкой в виде торойда Валентина- активное сопротивление первички 22 Ома ? Извеняюсь, вроде так с активным, и идуктивное 14Н.
|
|
|
|
|
| Sbaranov | Дата: Суббота, 08.03.2025, 17:33 | Сообщение # 522 |
|
Группа: Проверенные
Сообщений: 504
Статус: Offline
Страна: Украина
Город: Каховка
|
Я думаю нужно именно измерить сопротивления по всему диапазону частот. 22 Ома это же по постоянному току, и такой фокус с частотою 1 Герц не провернёшь как я показал, это потребует гораздо более высокого сопротивления что бы сохранить амплитуды и не перегрузить схему. В музыке практически такого нет, 30 герц встречается довольно часто, в электронной музыке, может быть и меньше, но очень редко. А вот кривая виниловая пластинка даёт чуть больше чем 0,5 герц, но там фильтра обычно ничего такого не пропускают.Добавлено (08.03.2025, 17:38) --------------------------------------------- А в общем проблема решается иначе - нагружаем полевые транзисторами резисторами 50-100 Ом, и всё будет почти нормально, хотя и хуже чем с высокоомными резисторами 400-800 Ом и килоомными нагрузками.
У меня всё не так.
|
|
|
|
|
| Sbaranov | Дата: Среда, 15.10.2025, 20:04 | Сообщение # 523 |
|
Группа: Проверенные
Сообщений: 504
Статус: Offline
Страна: Украина
Город: Каховка
|
Здравствуйте, вот решил дополнить тему по устойчивости выходного каскада усилителя тока моей конструкции. Я уже раньше озвучивал, что он у меня полностью висит в воздухе - гальванически развязан с землею. Это даёт много полезных плюсов, но есть и один недостаток о котором я раньше упоминал, и похоже для многих именно этот факт является своеобразным ассоциативным барьером не позволяющим такой подход, как в моей схеме, воспринимать как-то серьёзно. Дело в том, что весь каскад всё же на все 100% электрически не полностью отделён от разнообразных каналов проникновения внешних помех которые в теории синхронно работающих плеч ни как не должны вызывать видимого и воспринимаемого ушами эффекта. Я имею ввиду наводки через емкости первичной и вторичной катушки питающего трансформатора через межвитковые ёмкости и ёмкость самих радиаторов с транзисторами и деталей с проводниками внутри корпуса. Эта цепь - входная цепь усилителя тока, шунтируется на корпус выходным сопротивлением балансного усилителя напряжения и составляет примерно 120 Ом и там же имеется ёмкостное шунтирование тем же перечисленным списком компонентов через которые могли бы проникать сетевые помехи и помехи по питающим цепям. То есть как минимум входом усилитель тока всё же привязан к общему проводу, шасси и корпусу. Опять же напомню - усилитель тока, напряжение не усиливает, и слышать помехи эта цепь просто не позволяет, тем более синхронно их усиливая, только гасит их. Второй канал проникновения который так же синхронный, это кабеля до акустических систем и сама акустика. Опять же это практически антенны длиною в несколько метров которые так же шунтируются но уже ёмкостями схемы и входными резисторами опять на этот же выход усилителя напряжения общим сопротивлением 2 кОм. Уже этот номинал резистора, при достаточно сильных помехах в эфире, по сути от бытовой аппаратуры, позволяет появляться небольшим радионаводкам между входом и выходом усилителя тока с значимыми и теоретически слышимыми амплитудами. Речь о сигналах способных доходить до милливольт. И какой бы идеальный и подогнанных по симметрии плеч усилитель тока не был, но слабые шумы радиопомех он будет детектировать в еле различимые шорохи или техногенный шум если приблизится к АС вплотную. Я из этого секрета не делал, и ранее упоминал. Проблемой на самом деле это не является, но стремление к идеалу мне покоя всё же не давало. Вот собственно способ решения этой проблемы в железе.
 Гальваническая развязка так и осталась, добавился просто симметричный высокочастотный шунт который отводит все наводки на корпус и не позволяет им менять ток покоя схемы и отменяет детектирование радиопомех схемой так, что в результате никакое ухо ничего лишнего с акустики не услышит. То есть в паузах полная тишина.
У меня всё не так.
Сообщение отредактировал Sbaranov - Среда, 15.10.2025, 20:11 |
|
|
|
|
| Sbaranov | Дата: Суббота, 28.03.2026, 09:33 | Сообщение # 524 |
|
Группа: Проверенные
Сообщений: 504
Статус: Offline
Страна: Украина
Город: Каховка
|
Здравствуйте, решил показать реальные шумы и фон этого повторителя который отображен на верхней схеме с замкнутым входом. Это та планка ниже которой в теории звук ещё может опускаться, но тогда это уже будет смесь сигналов которые в теории можно разделить и услышать на фоне шумов. Тут применена внутренняя фильтрация осциллографа за счёт понижения пропускной способности до 20 МГц, за счёт высокого разрешения - 16-ти бит, плюс цветовой температуры показывающей уверенное присутствие сигнала длительное время. Первая картинка и вторая картинка 8 бит разрешение с разными развёртками.

 Третья уже с фильтрами 16 - бит.

 Фона тут совсем не видно, а шумы по НЧ составляют на частоте примерно 350 КГц порядка 71 микровольт. Это не далеко от того что я получал ранее другими методами. Сейчас применялся осциллограф FNIRSI DPOS350P.
У меня всё не так.
Сообщение отредактировал Sbaranov - Суббота, 28.03.2026, 09:41 |
|
|
|
|
| VK | Дата: Суббота, 28.03.2026, 09:55 | Сообщение # 525 |
Группа: Модераторы
Сообщений: 10330
Статус: Offline
Страна: Германия
|
Сергей, я и Алекс так же имеем по ЦК. Но мы оба убедились как появляется абсолютная тишина в каналах ЦК. Как бы последний на имел собственную способность компенсации шумов они всегда будут слышный в колонках в виде шумов на паузах на очень и очень малом уровне. Полностью от шумов избавиться можно как оказалось и этого мы оба добились весьма затратно, но удивительно эффективно. а помог получить эту тишину один хитрый БП это ИдБП. Мы оба с Алексов выкинули обычные БП из усилителей и поставили только ИдБП. Результат у обоих просто супер, усилители стали делать супер разрешение и ... появились те параметры которых мало было видно - это глубина звука с удивительной чистатой в нём.
|
|
|
|
|